Т-25 колёсный полурамный трактор для работы в садах, на огородах и мелких полевых участках

Т-25 4х2 колёсный полурамный трактор для работы в садах, на огородах и мелких полевых участках, а также для привода стационарных машин и для транспорта, тяговый кл. 0.6, вес прицепа до 3 тонн, конструктивный вес 1.5 тонн, максимальная скорость от 1.75 до 21.6 км/час.
Двигатель: Д-21 20 лс
ХТЗ около 70000 экземпляров, г. Харьков 1969-72 год, ВТЗ более 30000 экземпляров, г. Владимир 1972-73 год.
Описание оригинала

Начало выпуска:
Окончание выпуска:
Файлы
Изготовители (годы выпуска):
- дважды ордена Ленина, орденов Октябрьской революции и Трудового Красного Знамени Харьковский тракторный завод им. С. Орджоникидзе (1969-72).
- орденов Октябрьской революции и Трудового Красного Знамени Владимирский тракторный завод им. А.А. Жданова (1972-73);
Трактор Т-25А «Владимирец», модернизированный Т-25, — Владимирский тракторный завод (с 1973). Массовое производство тракторов Т-25А1 и двигателей Д-21А начато 11 октября 1973 г. В 1977 г. трактору Т-25А присвоено звание «Лучшая машина в отрасли». Позднее появились модификации Т-25А3 с каркасом безопасности и Т-25А2 с тентом. Изменений у модификаций в сравнении с первоначальной версией немного. Так, Т-25А2 практически не отличался от Т-25, а Т-25А3 вместо кабины получил съемный каркас безопасности.
Модель Т-25А выпускалась с 1973 по 1995 год. Изготовлено 731700 машин
Примечания (при помощи https://lubovbezusl.ru/publ/istorija/promyshlennost/r/81-1-0-7887 и далее)
По данным бывшего зам. директора ХТЗ (см. ниже) за период 1969-72 г. на ХТЗ изготовлено 60025 шт. Т-25. Но, учитывая начало производства двигателей Д-21 в 1967 г. и недостачу около 10000 шт. в порядковых номерах выпущенных Т-25 при передаче производства с ХТЗ на ВТЗ (первый владимирский трактор №70001), вполне вероятно, что начало выпуска Т-25 на ХТЗ 1966 г., как указывается во многих источниках, а количество изготовленных машин около 70000 шт.
18 июля 1969 г. подписан приказ Министра тракторного и сельскохозяйственного машиностроения №196 о передаче производства трактора Т-28Х4 Ташкентскому тракторному заводу. Взамен с Харьковского тракторного завода на ВТЗ передается производство трактора Т-25.
Трактор Т-25 под №70001, но первый для ВТЗ, сошел с конвейера 17 января 1972 г. («Тракторостроитель», 21 января 1972). Всего за 1972 год на ВТЗ выпущено: 19831 тракторов Т-25. 24 мая 1973 был выпущен 30-тысячный Т-25.
Предшественник: ДТ-20 Харьковского тракторного завода (265 867 шт.), двигатель 4-тактный 1-цилиндровый с жидкостным охлаждением 18-20 лс, годы выпуска 1958-69.
Последующая модель: трактор Т30А-80, глубокая модернизация T-25A с сохранением традиционной компоновки. Трактор получил полный привод, комфортабельную кабину, новый двигатель Д-120 и гидрообъёмное рулевое управление. Серийный выпуск: с 1991 г.
В 1949 г. на Харьковском тракторном заводе был создан первый в СССР садово-огородный трактор ХТЗ-7. Трактор широко применялся при обработке трудоемких огородных и пропашных культур и хорошо показал себя на работах в садах, виноградниках и лесонасаждениях.
В октябре 1955 г. завод начал выпускать колесный трактор ДТ-14, который отличался от трактора ХТЗ-7 главным образом, тем, что на нем взамен бензинового установлен дизельный двигатель. Конструкторы и технологи оснастили этот трактор электростартером, решили целый ряд вопросов по снижению его веса, увеличению мощности и продлению срока службы. В результате доработки конструкции трактора ДТ-14 создан трактор ДТ-20, имеющий значительно лучшие технико-экономические показатели, чем трактор ДТ-14. Мощность двигателя увеличена и доведена до 20 л. с., увеличены рабочие скорости, а транспортная скорость доведена до 18 км/час. В результате повышения мощности двигателя и рабочих скоростей производительность его увеличилась на 30-35%. Выпуск ДТ-20 был начат в июне 1958 г.
Дальнейшие работы по модернизации трактора ДТ-20 с тем, чтобы повысить эффективность, расширить его применение и обеспечить лучшие удобства водителю привели к созданию в 1967 г. трактора Т-25.
Из книги Трактор Т-25 (устройство и эксплуатация). авт.: Герасимов А. Д., Голубчик С. Ф., Кульчицкий Р. И. и др., Л., «Колос», Ленингр. отд-ние, 1972.
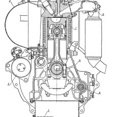
Трактор Т-25 представляет собой колесную универсальную машину класса 0,6 т с полурамой, задними ведущими и передними управляемыми колесами. Реверс всех основных передач позволяет использовать при работе как передний, так и задний ход. Колею трактора и дорожный просвет можно регулировать. Двигатель Д-21 работает на дизельном топливе и развивает мощность 20 л. с. при 1600 оборотах в минуту.
Трактор Т-25 применяется в садах, на огородах и мелких полевых участках для внесения удобрений, борьбы с сорняками и вредителями, посева, посадки и уборки овощей, уборки сена, пахоты легких почв. Кроме того, трактор используют для привода стационарных машин, на легких погрузочных и землеройных работах, на строительстве и для транспорта.
Трактор Т-25 создан на базе ранее выпускавшейся машины ДТ-20. В результате модернизации на тракторе был заменен двигатель, введены постоянно-замкнутая муфта сцепления, наклонная рулевая колонка, более совершенные тормоза плавающего типа, изменены все органы управления, установлено более удобное подрессоренное сиденье. Трактор имеет современные внешние формы.
Благодаря повышению мощности двигателя и некоторому увеличению рабочих и транспортных скоростей возросла производительность агрегата. Более удобное расположение органов управления улучшило условия труда и облегчило управление трактором.
Двигатель. На тракторе Т-25 установлен 2-цилиндровый 4-тактный двигатель Д-21 воздушного охлаждения производства Владимирского тракторного завода. Двигатель имеет рабочий процесс с воспламенением от сжатия и непосредственный впрыск топлива в камеру сгорания, расположенную в днище поршня. Он запускается на дизельном топливе электрическим стартером. Двигатель Д-21 максимально унифицирован по основным изнашиваемым деталям с двигателем Д-37М.
Для уравновешивания двигателя и устранения вибрации предусмотрен специальный механизм, представляющий собой валик с закрепленными на нем противовесами. Расположение цилиндров вертикальное.
Двигатель оборудован одноплунжерным насосом распределительного типа с всережимным регулятором. Форсунка бесштифтовая, закрытая с многодырчатым распылителем. Дизельное топливо очищается в грубом фильтре-отстойнике с последующей тонкой очисткой в фильтре со сменным элементом из фильтровальной бумаги или банкоброшной пряжи.
Воздух, поступающий в двигатель, проходит 3-стуненчатый воздухоочиститель.
Система смазки комбинированная: под давлением и разбрызгиванием. Давление в масляной магистрали создается шестеренчатым насосом, который приводится в действие от коленчатого вала. Масло очищается в полнопоточной реактивной центрифуге. Охлаждение воздушное принудительное. Вентилятор осевой, смонтирован на одном валу с генератором.
Регулирование теплового режима посезонное, при помощи съемного диска. При пуске двигателя используются подогревательная свеча накаливания и декомпрессионный механизм. Двигатель оборудован глушителем-искрогасителем.
Силовая передача. Между двигателем и трансмиссией установлена сухая однодисковая постоянно-замкнутая муфта, управляемая педалью. Соединение вала муфты сцепления с главной передачей жесткое, разъемное.
Коробка передач с поперечными валами имеет шесть реверсируемых передач с диапазоном скоростей от 5,4 до 20,5 км/ч. Кроме того, предусмотрены две замедленные передачи со скоростями 1,66 и 2,45 км/ч. При пониженных оборотах двигателя (до 900 в минуту) трактор может перемещаться со скоростью 0,935 км/ч. Передачи переключают двумя рычагами с кулисами.
В одном корпусе с коробкой передач расположены главная передача и межколесный конический дифференциал с двумя сателлитами. К корпусу коробки передач справа и слева крепятся рукава, в которых смонтированы тормоза. К рукавам присоединены конечные передачи, представляющие собой одноступенчатые редукторы в чугунных картерах.
Конечные передачи можно прикреплять к рукаву тормоза в различных положениях, изменяя продольную базу и дорожный просвет трактора.
В задней части трактора расположен хвостовик вала отбора мощности с зависимым приводом, справа по ходу — хвостовик вала коробки передач для приводного шкива.
Ходовая часть трактора состоит из переднего моста с управляемыми колесами и задних ведущих колес. На передних управляемых колесах установлены пневматические шины размером 5,5—16", задние колеса комплектуют шинами 9—32" или 10—28".
Конструкция ходовой части дает возможность изменять колею трактора в пределах 1100—1500 мм с интервалом 50 мм. Дорожный просвет может быть изменен от 308 до 515 мм при соответствующем изменении продольной базы.
Передний мост (трубчатая ось) установлен в кронштейне нолурамы на оси и может перемещаться в вертикальной поперечной плоскости. Положение рулевой колонки наклонное. Направление вращения рулевого колеса совпадает с направлением поворота трактора.
Тормоза ленточные, плавающего типа, по одному на каждое заднее колесо. Ими управляют при помощи двух педалей, установленных под правую ногу тракториста. При движении прямо педали замыкаются между собой и торможение осуществляется одновременно обоими тормозами.
Электрооборудование. Система проводки однопроводная напряжением 12 в; отрицательные зажимы источников и потребителей тока соединены с корпусом (массой). Стартер включается замком, расположенным на щитке приборов. К контрольным приборам относятся: амперметр, указатель температуры масла, указатель давления масла, контрольная лампа перегрева двигателя, контрольная лампа включателя массы. Для освещения и сигнализации трактор оборудован двумя передними и одной задней фарами. На крыльях размещены фонари габаритов, указателей поворота и освещения номерного знака.
Гидравлическая навесная система. На тракторе применена унифицированная раздельно-агрегатная гидравлическая система. Насос шестеренчатый, нерегулируемый, расположен на соединительном корпусе и приводится во вращение от маховика двигателя. Насос включается и выключается при работающем двигателе при помощи шариковой муфты и рукоятки, расположенной на корпусе привода. Направление вращения насоса против часовой стрелки, если смотреть с торца валика. Распределитель гидросистемы золотниковый (с двумя золотниками).
Золотники устанавливаются при помощи рычагов в следующие положения: «нейтральное», «подъем», «опускание» и «плавающее». Распределитель находится слева под щитком приборов.
Рабочей жидкостью гидросистемы служит дизельное масло. Очистка масла производится масляным фильтром, состоящим из десяти сетчатых элементов.
Силовой цилиндр двойного действия, с гидравлическим ограничителем поршня. Сзади трактора размещен механизм навески, который налаживается по трехточечной схеме. Трактор снабжен прицепным устройством, действующим от гидравлической системы.
Дополнительное оборудование. По желанию потребителя к трактору придается приводной шкив для работы со стационарными машинами. Все тракторы комплектуются приводом к тормозу прицепа и валом отбора мощности. Направление вращения вала отбора мощности по часовой стрелке, если смотреть по ходу движения трактора.
Вспомогательное оборудование. К нему относятся: сиденье тракториста, капот, крылья, инструментальный ящик, тент.
Сиденье имеет регулировку по весу и росту тракториста и переставляется для работы на прямом и реверсном ходу.
Модели и модификации трактора. В зависимости от размера устанавливаемых шин задних колес трактор Т-25 выпускается в двух разновидностях: модель Т-25 С1 имеет шины задних колес размером 9—32", модель Т-25 С2 — размером 10—28".
В зависимости от характера работы каждую из указанных двух моделей можно переоборудовать в одну из следующих модификаций.
А. В низкой модификации трактор работает в садах и на лесных участках. Конечную передачу в этом случае устанавливают горизонтально, т. е. ведущие колеса поворачивают вперед по ходу трактора, а оси передних колес переводят в верхнее положение. В такой модификации продольная база трактора равна 1423 мм, а дорожный просвет — 308 мм. Если необходимо увеличить устойчивость тракторного агрегата, то конечную передачу можно переставить назад по ходу трактора. В этом случае продольная база будет равна 1837 мм.
Б. Высокая модификация предназначена для междурядной обработки огородных культур. В этой модификации конечную передачу монтируют вертикально ведущим колесам вниз, а оси передних колес устанавливают в нижнее положение. Продольная база в такой модификации 1630 мм, а дорожный просвет — 575 мм.
В. В полуогородной или огородной пониженной модификации конечную передачу монтируют под углом 45 ° к ведущим колесам назад по ходу трактора, а передние колеса устанавливают в промежуточное положение. При этом трактор имеет продольную базу 1775 мм, а дорожный просвет — 455 мм. Тракторы выпускаются с завода в этой модификации, которая является основной.
В ряде случаев, когда требуется хорошая обозреваемость, трактор можно переоборудовать для работы задним ходом. Для этого переносят сиденье на противоположную сторону и устанавливают его на заднюю часть капота; переставляют рулевое колесо на передний наклонный хвостовик. Шины ведущих колес ставят в такое положение, при котором стрелки, расположенные на них, соответствовали бы направлению движения трактора.
Колею передних колес изменяют, раздвигая корпуса поворотных кулаков колес на требуемую величину. Соответственно раздвигают поперечную рулевую тягу. Колею задних колес регулируют путем перестановки в различные положения дисков и ободьев колес.
На базе трактора Т-25 создан высококлиренсный трактор Т-25К, предназначенный для междурядной обработки высокостебельных культур. Он имеет дорожный просвет 1500 мм и колею 2800 мм. Машина поднята над уровнем почвы на стойках передних и задних колес. Задние колеса приводятся во вращение при помощи цепей, заключенных в стойках.
Такая машина может быть получена непосредственно в хозяйстве из обычного трактора Т-25 путем его переоборудования с установкой дополнительных узлов: удлиненных рукавов задних колес, стоек передних и задних колес, переднего балансира.
После выполнения работ по обработке высокостебельных культур специальное оборудование может быть снято и трактор использован в своем обычном виде.
Техническая характеристика трактора Т-25
Общие данные
Габаритные размеры, мм:
длина с навесной системой 2818—3028
ширина с шинами 9—32' при колее 1100 мм1370
ширина с шинами 10—28' при колее 1200 мм 1467
Продольная база, мм:
основная модификация 1775
низкая модификация 1423-1837
высокая модификация 1630
Ширина колеи, мм:
передних колес1200—1400
задних колес с шинами 9—32' 1100—1500
задних колес с шинами 10—28' 1200—1470
Вес заправленного трактора с навесной системой и аккумуляторами, кг 1575
Конструктивный вес, кг 1500
Агротехнический просвет под тормозными рукавами, мм:
основная модификация 587 572
низкая модификация 450 435
высокая модификация 657 642
Расчетные скорости (км/ч) и тяговые усилия (кг) при 1600 об/мин коленчатого вала двигателя с шинами 9-32':
|
Передача |
Скорость |
Тяговое усилие |
|
|
вперед |
назад |
||
|
I |
5,69 |
5,69 |
700 |
|
II |
7.18 |
7.18 |
510 |
|
III |
8.37 |
8.37 |
420 |
|
IV |
10,60 |
10,60 |
300 |
|
V |
14.70 |
14.70 |
170 |
|
VI |
21,60 |
21,60 |
65 |
|
Замедленная: |
|||
|
I |
1,75 |
|
|
|
II |
2,58 |
|
|
|
I при 900 об/мин двигателя |
0,97 |
|
|
Двигатель
Номинальная мощность, л. с. 20
Крутящий момент при номинальной мощности, кгм 8,95
Число оборотов коленчатого вала в минуту 1600±1,5%
Удельный расход топлива, г/э-л. сч 190
Диаметр цилиндра, мм 105
Ход поршня, мм 120
Рабочий объем цилиндров, л 2,07
Степень сжатия 16,5
Топливный насос Одноплунжерный НД-21/2
Форсунка 6Т2-20С1-1Г закрытого типа бесштифтовая
Регулятор Центробежный всережимный с корректором подачи топлива
Давление начала впрыска топлива, кг/см2 170+5
Угол начала подачи топлива (по мениску), градусов22-24 до ВМТ
Система смазки Комбинированная: под давлением от масляного насоса и разбрызгиванием
Давление масла в магистрали на прогретом двигателе при номинальных оборотах, кг/см2 1,5=3,5, при минимальных оборотах холостого хода не менее 0,8
Вес двигателя, кг 280.
Силовая передача
Число передач: вперед / назад 8/6
Ходовая часть
Размер шин:
передних колес 5,5—16' или 6—16'
задних колес 9-32'пли 10—28' по особому заказу
Давление воздуха для полевых работ для транспортных работ
передних колес 1,5--1,8 1,8--2,0
задних колес 0,8--0,9 0,9-1,1
Гидравлическая навесная система
Гидравлический насос: марка НШ-10Е, число оборотов в минуту 1565
производительность при 1565 об/мин, л/мин 14
максимальное рабочее давление, кг/см2 100
Распределитель: марка Р75-В2А, число золотников 2
давление открытия предохранительного клапана, кг/см2 130
Силовой цилиндр, мм: диаметр цилиндра 75, ход поршня 110
Механизм навески:
высота присоединительного треугольника на раме сельхозмашины, мм 460
основание присоединительного треугольника, мм 600
размеры присоединительных шарниров, мм: верхней тяги 25.5х51, нижних тяг 28,5х38
Расчетный ход оси подвески, мм:
для низкой модификации 573
для высокой модификации 600
Высота оси подвеса в крайнем верхнем положении, мм:
для низкой модификации 773
для высокой модификации 798
Длина центральной тяги со сменной центральной частью, мм: наибольшая 740, наименьшая 420
Дополнительное оборудование
Приводной шкив: диаметр, мм 300, ширина обода, мм 120
число оборотов в минуту при 1600 об/мин коленчатого вала 914
Число оборотов вала отбора мощности при 1600 об/мин коленчатого вала 545
Электрооборудование
Номинальное напряжение, в 12
Аккумуляторная батарея: количество 2, тип ЗТСТ135ЭМС, емкость, а-ч 135
Генератор: тип Г302Б переменного тока, мощность Вт 180
Реле-регулятор РР-362Б
Стартер: тип СТ-222, мощность, л. с. 2,8
Заправочные емкости, л
Топливный бак 45
Система смазки двигателя 7
Картер топливного насоса 0.4
Воздухоочиститель 0,6
Корпус главной передачи 11
Корпуса конечной передачи (в каждой) 1,6
Ступицы передних колес (в каждой) 0,1
Корпус привода гидронасоса 0,3
Гидравлическая система 7,5
В том числе: бак 5,85
основной цилиндр, насос-распределитель маслопровода 1,65.
Vasil_Karp старожил rcforum.ru форума
Удалось разжиться у бывшего зам. директора ХТЗ данными по выпущенным тракторам:
СХТЗ 15/30 - с 1931 по 1937 г = 172 489 шт.
ХТЗ-Т2Г - с 1938 по 1941 г = 15 963 шт.
СТЗ-НАТИ - с 1937 по 1941 и с 1944 по 1949 г = 64 180 шт.
ДТ-54 - с 1949 по 1960 г = 241 828 шт.
ХТЗ-7 - с 1955 по 1956 г = 10 522 шт.
ДТ-14 - с 1955 по 1958 г = 46 478 шт.
ДТ-20 - с 1958 по 1969 г = 265 867 шт.
Т-50В - 1961 год = 306 шт.
Т-75 - с 1960 по 1962 г = 45 810 шт.
Т-74 - с 1960 по 1984 г = 880 701 шт.
Т-125 - 1962 и с 1964 по 1967 г = 195 шт.
КТ-125 (колесный тягач) - с 1968 по 1969 г = 60 шт.
Т-25 - с 1969 по 1972 г = 60 025 шт.
Т-150 - с 1970 по 1977 и с 1981 по 1993 г = 86 621 шт. (без учета модификаций)
Т-150К - с 1970 по 1993 г = 573 043 шт. (без учета модификаций)
Т-155 - с 1970 по 1998 г = 5 685 шт.
Т-158 - с 1974 по 2003 г = 6 802 шт.
Т-157 - с 1974 по 2004 г = 5 542 шт.
Т-156 - с 1989 по 1993 г = 5 526 шт.
Общее количество выпущенных тракторов (включая опытные) на март 2005 года составило 2 525 000 шт.
Из истории ВТЗ (mick старожил форума rcforum.ru)
Строительство 1-й очереди закончено в апреле 1945. На ВТЗ выпускались: колёсные тракторы «Универсал» мощностью 22 л. с. в четырёх модификациях (У-1, У-2, У-З, У-4) (с 1945 по 1955), предназначенные для всех видов с.-х. работ. Пневматические шины и гидравлическая система впервые в СССР стали устанавливать на тракторах "Универсал", а полностью все вышеперечисленные новшества были введены на ДТ-24. Трактор ДТ-24 создан для работы в 2- 4 рядной системе. Выпускались три модели тракторов:
- ДТ-24-1- для обработки низкостебельных пропашных культур (1955-195;
- ДТ-24-2 - для междурядной обработки высокостебельных пропашных культур (1955-195;
- ДТ-24-3 - для обработки хлопковых культур (1956-195.
На всех моделях тракторов ДТ 24 установлен 2-цилиндровый, безкомпрессорный, вихрекамерный дизель (Д-24) мощностью 24л.с., запускаемый бензиновым пусковым устройством вручную при помощи рукоятки. Пусковое устройство снабжено карбюратором и магнето.
Модернизированный ДТ-24 выпускался под маркой T-28 с более мощным двигателем Д-28 – 28л.с. (в основном за счет увеличения подачи топлива). Для очистки масла в системе смазки двигателя установлена центрифуга с гидравлическим приводом. На тракторе установлена унифицированная раздельно-агрегатная гидросистема.
В 1960 году завод начинает выпуск двигателя воздушного охлаждения Д-30 мощностью 30 л.с. В то же время начинается выпуск трактора Т-28М* с этим двигателем.
Т-28М имел ещё две модификации: универсально-пропашной Т-28П повышенной проходимости с четырьмя ведущими колёсами и универсально-пропашной Т-28Х с одним передним направляющим колесом.
Следующая модификация Т-28М2 выпускалась с 1962 до 1966 г. От Т-28М она отличалась установкой двигателя Д-37В мощностью 40 л.с. Т-28М2 в свою очередь имел модификации Т-28П2 и Т-28Х2.
Т-28Х2 выпускался до 1963 г, когда его сменил Т-28Х3. Главные отличия – двигатель
Д-37М мощностью 40л.с., и коробка передач с 7-ю передачами переднего хода и 3-я заднего.(остальные 6 и 4-ступенчатые).
В 1968 г. начался выпуск Т-28Х4 с двигателем Д-37Е мощностью 50 л.с., который выпускался до 1971 г., когда его производство было передано в Узбекистан.
*на фото таблички Т-28 Silvera указан 1961 год - возможно Т-28 и Т-28М некоторое время выпускались параллельно. В некоторых источниках указано, что Т-28 выпускался до 1964 года.
** двигатель Д-37 запущен в серию в начале 1962 года.
Как их отличить:
- Т-28 с водяным охлаждением имеет капот с прорезями для охлаждения, тогда как Т-28М и М2 имеют цельный капот по типу Т-40;
- топливный насос у Т-28 расположен справа, у остальных – слева;
- у Т-28М и М2 справа расположен вентилятор системы охлаждения двигателя с характерным обтекателем;
- у Т-28М центрифуга объединена в одном узле с вентилятором и отсутствуют жалюзи, а у Т-28М2 полнопроточная центрифуга расположена в отдельном корпусе пониже дефлектора охлаждения.
… производство Т-28М2 с воздушником продолжалось только до 1966 г., после чего ВТЗ выпускал только хлопковую модификацию Т-28Х3, а с 1968 года и до 1971 - Т-28Х4. после чего их производство передали на ТТЗ.
В Минтрактороселъхозмаше тогда решался вопрос о полном прекращении выпуска тракторов на ВТЗ и переориентации предприятия на дизели воздушного охлаждения для всей отрасли. Тем более, что на полную мощность вышли Липецкий и Кишинёвский ТЗ, выпускающие более современные трактора аналогичного класса (Т-40 и Т-54). И только благодаря активному вмешательству в этот процесс руководства области завод сохранился как тракторный. Ему было поручено производство тракторов Т-25 кл. 0,6 мощностью 20 л. с., переданных с ХТЗ (которому нужны были производственные мощности для производства Т-150/150К). Их начали изготавливать в 1972 г.
С этой поры в СССР сложилась чёткая специализация заводов по классам тракторов, которая продержалась практически до его распада
- 0,6 - ВТЗ
- 0,9 - ЛТЗ, ТТЗ
- 1,4 - МТЗ, ЮМЗ
- 2,0 - КТЗ
- 3,0 - ВгТЗ, ПТЗ. ХТЗ
- 4,0 - АТЗ
- 5,0 - Кировский ТЗ.
… правда пришлось выпускать Т-25, который остался не у дел на ХТЗ, в связи с подготовкой мощностей к производству тракторов большой мощности. А если серьезно, то у Владимирцев было разработано продолжение линейки Т-28 - Т-30/Т-32 с дизелем воздушного охлаждения Д-30.
|
Передача |
Скорость |
Тяговое усилие |
|
|
вперед |
назад |
||
|
I |
5,69 |
5,69 |
700 |
|
II |
7.18 |
7.18 |
510 |
|
III |
8.37 |
8.37 |
420 |
|
IV |
10,60 |
10,60 |
300 |
|
V |
14.70 |
14.70 |
170 |
|
VI |
21,60 |
21,60 |
65 |
|
Замедленная: |
|||
|
I |
1,75 |
|
|
|
II |
2,58 |
|
|
|
I при 900 об/мин двигателя |
0,97 |
|
|





















































































